LM358 CVCC 可変電源の試作 (2025・10・03)

仕様

商用電源 AC 90V~110V (某メーカーの仕様と同じAC90V~AC110V
可変電圧 0V~13V
制限電流 10~200mA
電源トランス方式

今回の授業料は
LM358×2個(破裂)
そんなもんですねぇ~

電源トランス

商用電源 AC 90V~110V変化した時に
電源トランス(ジャンク電源トランス)2次側の出力電圧変化を調べます。

電源トランス仕様
一次側 0V-100V-110V
二次側 0-20V

測定方法


 ジャンク電源トランス 1次 100V/110V 2次 20V
1次タップ
110V 
商用電源 無負荷  定格負荷(0.25A)
整流後電圧  整流後電圧 整流後電流
入力電圧
90V 21.2V 18.1V 0.25A 
100V 23.6V 20.7V 0..25A
110V 26.2V  22.6V 0.25A

AC90Vのとき定格負荷、整流後電圧18.1V
AC110Vのとき無負荷、整流後電圧26.2V

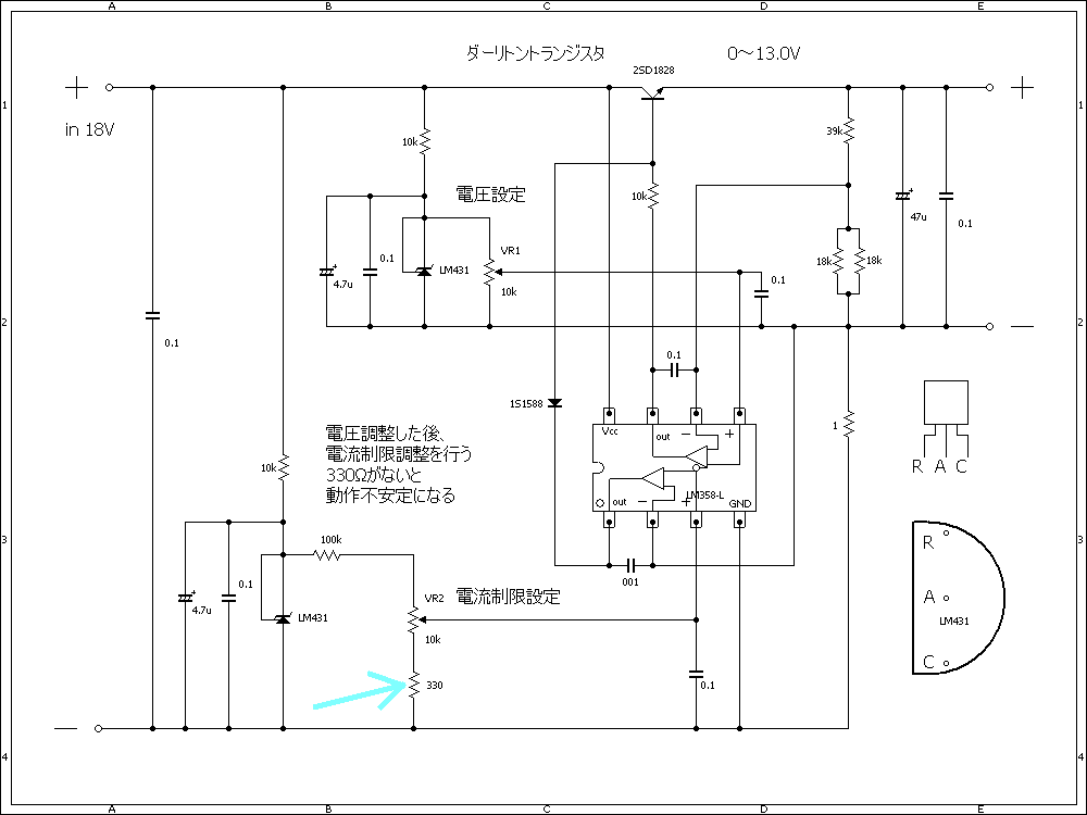
可変電源回路



可変型シャント・レギュレータ「LM431」が発振したので「0.1μF」「4.7μF」を追加して発振対策
LM358発振対策 3ピン・5ピンを「0.1μF」でアース
出力電流200mAなら
2SD2012(HFE 434)で問題なく使用できました。

0.5Aとか多く電流を取り出すとなるとトランジスタをダーリントン接続しないと増幅度不足になると思われます。 要実験
※ ダーリントントランジスタは発振。トランジスタ2個でダーリントン接続はOKだった。ダーリントントランジスタを使用できれば部品が節約できるのですが(T_T)